Utilisez ces pointes en Inox A2 pour assembler des pièces en bois, construire un abris de jardin, une terrasse ou encore une structure de maison en bois.
Grâce à leurs têtes plates, elles sont plus faciles à mettre en oeuvre et leurs tiges annelées leurs confèrent une meilleure tenue à l'arrachement.
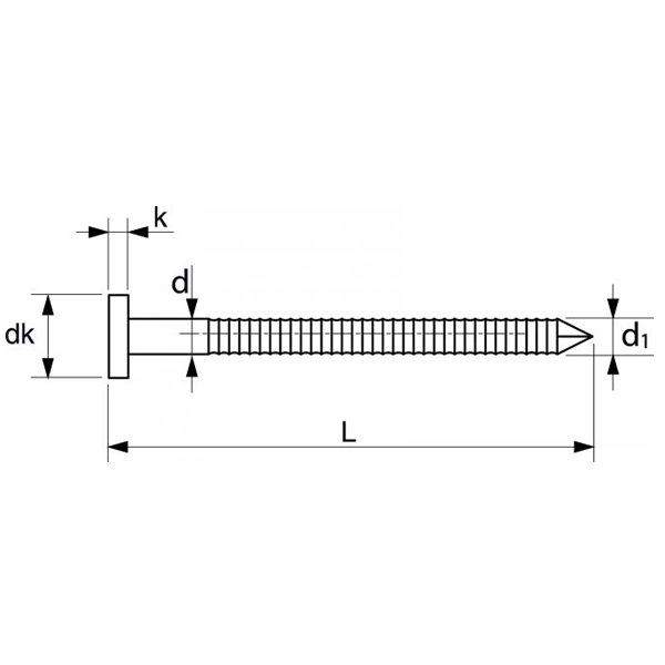
Pointe annelée tête plate
Se référer au schéma technique en photo
| d x L | 2.3 x 40 |
|---|---|
| k | 0.70 mm |
| dk | 4.1 - 5.1 mm |
| d1 | 2.5 mm |
| Nombre de pointes | 650 |
| Poids | 1 kg |
Exemple d'utilisation :
Depuis sa création, ACTON s'est imposé comme le partenaire incontournable des professionnels exigeants en matière de systèmes de fixation. Spécialisée dans l'acier inoxydable, la marque propose l'une des gammes les plus larges du marché pour répondre aux problématiques de corrosion, de durabilité et de résistance mécanique. Que ce soit pour le bâtiment, l'industrie ou les environnements marins, les produits Acton garantissent une fiabilité totale pour tous vos assemblages.
La force d'Acton réside dans la technicité de ses alliages. Nous avons sélectionné les références essentielles pour vos chantiers :
Visserie Inox A2 : idéale pour les applications extérieures standards, la menuiserie bois et les structures exposées aux intempéries classiques.
Visserie Inox A4 (Qualité Marine) : indispensable pour les zones côtières, les milieux chlorés (piscines) ou les industries chimiques, offrant une résistance maximale à la corrosion acide.
Boulonnerie technique : vis métriques, écrous, rondelles et tiges filetées répondant aux normes ISO et DIN pour des serrages de précision.
Au-delà de la visserie classique, Acton développe des solutions de fixation lourde et chimique adaptées aux contraintes du gros œuvre. Les produits Acton sont conçus pour faciliter la mise en œuvre : empreintes Torx (TX) pour un vissage sans ripage, filets auto-foreurs pour gagner du temps sur chantier, et traitements de surface spécifiques pour éviter le grippage de l'inox.
En choisissant Acton, vous optez pour une marque qui place la conformité réglementaire au centre de sa fabrication. Chaque pièce est conçue pour assurer la pérennité de vos ouvrages, qu'il s'agisse de poser un bardage, de monter une structure métallique ou de fixer du mobilier urbain. Profitez de l'expertise Acton alliée au service logistique de Chausson pour recevoir vos fixations directement sur votre chantier !
Sécurisez vos assemblages avec la précision de l'inox : explorez toute la gamme ACTON et équipez-vous avec le meilleur de la fixation !
Voici les modes de livraison disponibles pour ce produit. Les transporteurs proposés dans votre panier pourront différer selon les types d'articles contenus dans votre commande.
Livraison par La Poste à domicile, du lundi au samedi.
Commande disponible 48h après expédition
10,86 € TTC
Livraison par La Poste chez le commerçant, à l'espace Cityssimo ou au bureau de poste de votre choix, du lundi au samedi.
Commande disponible 48h après expédition
9,60 € TTC
Livraison du lundi au vendredi.
Commande disponible 24/72h après expédition
9,60 € TTC
GRATUIT dès 350 € d'achats (sous conditions)
GLS Relais Livraison du lundi au vendredi dans l’un des 10 000 Relais GLS répartis dans toute la France. Un suivi de l’acheminement de votre colis vous sera transmis par mail ou par SMS.
Commande disponible 24/72h après expédition
5,50 € TTC
GRATUIT dès 350 € d'achats (sous conditions)
Livraison express dans le relais de votre choix, du lundi au vendredi.
Commande disponible 24h après expédition pour toute commande passée avant 13h
13,80 € TTC
Livraison express à votre domicile, du lundi au vendredi.
Commande disponible 24h après expédition pour toute commande passée avant 13h
19,80 € TTC
Lors du passage de votre commande, vous pouvez choisir de récupérer vos produits dans l'une de nos agences
Retrait des marchandises dans votre agence.
Commande à retirer sous 7 jours
GRATUIT
Si tous les produits de votre commande sont en stock dans votre agence, une icône vous en informe, et vous pouvez venir récupérer votre marchandise sur le parc, 1h après avoir passé commande !
Lors du passage de votre commande, vous pouvez choisir de vous faire livrer à votre adresse ou en point relais.
Livraison par La Poste à domicile, du lundi au samedi.
Commande disponible 48h après expédition
10,86 € TTC
Livraison par La Poste chez le commerçant, à l'espace Cityssimo ou au bureau de poste de votre choix, du lundi au samedi.
Commande disponible 48h après expédition
9,60 € TTC
Livraison du lundi au vendredi.
Commande disponible 24/72h après expédition
9,60 € TTC
GRATUIT dès 350 € d'achats (sous conditions)
GLS Relais Livraison du lundi au vendredi dans l’un des 10 000 Relais GLS répartis dans toute la France. Un suivi de l’acheminement de votre colis vous sera transmis par mail ou par SMS.
Commande disponible 24/72h après expédition
5,50 € TTC
GRATUIT dès 350 € d'achats (sous conditions)
Livraison express à votre domicile, du lundi au vendredi.
Commande disponible 24h après expédition pour toute commande passée avant 13h
19,80 € TTC
Livraison express dans le relais de votre choix, du lundi au vendredi.
Commande disponible 24h après expédition pour toute commande passée avant 13h
13,80 € TTC
Livraison des commandes volumineuses et encombrantes, du lundi au vendredi.
Commande disponible 3 à 5 jours ouvrés après expédition
59,90 € TTC*
*hors frais fixes sur certains produits
Livraison par nos soins sur le chantier de votre choix.
L'agence vous informera de la date de livraison
Tarif selon marchandises transportées
Frais de port fixes
Pour certains produits volumineux, lourds ou dangereux, le coût du transport est plus élevé.
Nous en prenons une grande partie à notre charge mais une partie reste à la charge du client. Ce qui explique pourquoi certaines commandes ne bénéficient pas du franco à 350 € TTC.
Voici quelques exemples de produits concernés (liste non exhaustive) :
Afin de calculer les frais d'envoi au plus juste, certains frais de port sont cumulables et d'autres non. Cela varie en fonction du nombre d'envoi à faire ainsi que des contraintes de manipulation.

Si vous êtes un particulier, vos achats peuvent être facilement payés en 4 échéances sans frais*, pour les achats de 50 € à 2 000 €.
Vous pouvez consulter et gérer vos échéances depuis votre appli PayPal. Un remboursement anticipé est possible à tout moment et sans supplément.
Retrouvez toutes les modalités sur le site de PayPal
* Sous réserve d'acceptation par PayPal et soumis à conditions. Offre de financement avec apport obligatoire et réservée aux particuliers.
Un crédit est un engagement contraignant et doit être remboursé, vérifiez votre capacité de remboursement.
Voir les Conditions générales du Paiement en 4X.
Crédit proposé par PayPal (Europe) S.à r.l. et Cie, S.C.A., 22-24 Boulevard Royal, L-2449, Luxembourg, R.C.S. Luxembourg B 118 349, qui est dûment licencié en tant qu'établissement de crédit du Luxembourg et est sous le contrôle prudentiel de l'autorité de surveillance du Luxembourg, la Commission de Surveillance du Secteur Financier. Cette information est fournie par PayPal.
Pour toute commande de 50 € TTC minimum (dans la limite de 6000 € TTC), j'ai la possibilité de la régler par carte bancaire en 3 échéances lors du choix du mode de paiement de ma commande en choisissant l'option "paiement en 3x avec FLOA".
Le montant total de la commande sera divisé en 3 mensualités. La première sera débitée à la commande, lors du paiement. Les suivantes s'échelonneront tous les 30 jours à compter de la date du 1er débit.
Le paiement en plusieurs fois induit des frais de dossiers. Le prélèvement des frais est lissé sur chacune des échéances.
Réservé aux particuliers.
FLOA se réserve le droit d’accepter ou de refuser votre demande de financement ; vous disposez d’un délai légal de rétractation de 14 jours. Pour en savoir plus, cliquez ici.
Pointe annelée tête plate Inox A2 - 2.3 x 40 mm - 1 kg soit 650 pointes